К сожалению, ваш браузер
не поддерживает
JavaScript. Пожалуйста,
обновите
ваш браузер или включите поддержку JavaScript для корректного отображения страницы.
Связаться с нами
г. Саранск,
пр-кт Ленина, д. 100, оф. 210
+7 (8342)
22-30-36
Главная
О компании
Оборудование
Комплектные системы постоянного тока
КСОПТ для подстанций 6-35 кВ
КСОПТ для подстанций 110-220 кВ (одна АБ)
КСОПТ для подстанций 220 кВ и выше (две АБ)
КСОПТ для АБ с хвостовыми элементами
Элементы систем постоянного тока
Зарядные устройства (ВЗА)
Шкафы оперативного тока (ШРОТ)
Шкафы оперативной блокировки (ШОБ)
Шкаф аварийного освещения (ШАО)
Микропроцессорные системы автоматики ЩПТА
Партнеры
Контакты
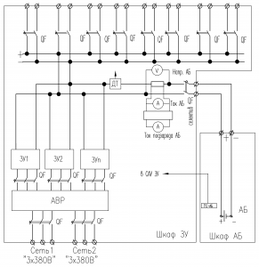
ЩПТА (вар. 1.7)