Щит постоянного тока ЩПТА (вар. 1.5)
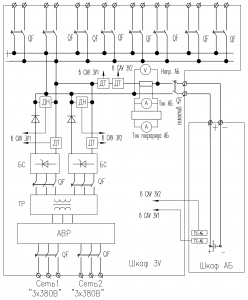
Структурная схема:
Пример обозначения: ЩПТА-65-220/40/2Р/2/Н/n
ЩПТА – Щит постоянного тока автоматизированный;
65 – емкость АБ в А·ч;
220 – напряжение постоянного тока;
40 – номинальный ток ЗУ;
2Р – число резервируемых ЗУ;
2 – число входов переменного тока:
1 – один вход (без АВР),
2 – два входа (с АВР);
Н – несекционированный;
n – число выходов.



