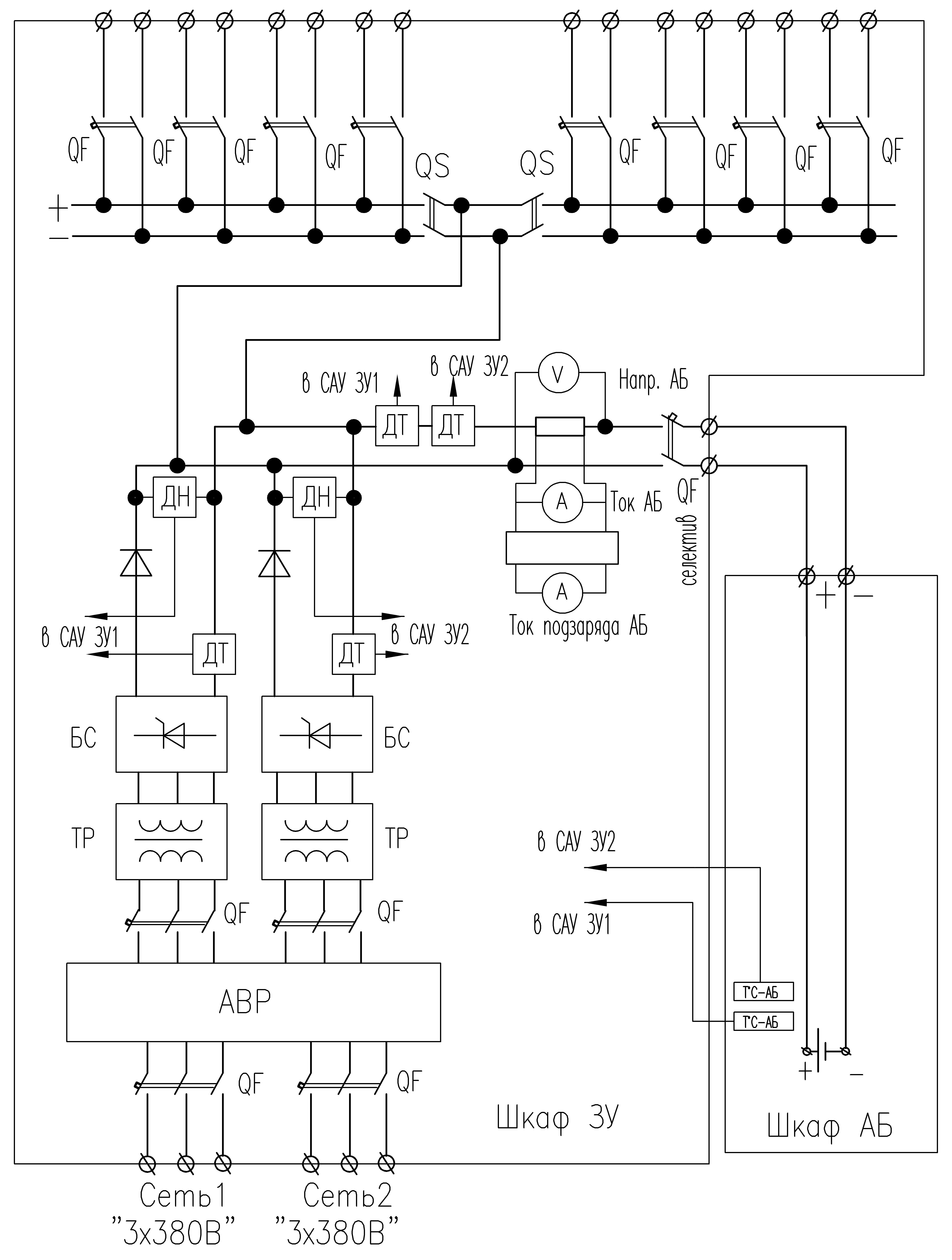
Щит постоянного тока ЩПТА (вар. 1.4)
Структурная схема:
Пример обозначения: ЩПТА-65-220/40/2Р/2Т/2/С/n1/n2
ЩПТА – Щит постоянного тока автоматизированный;
65 – емкость АБ в А·ч;
220 – напряжение постоянного тока;
40 – номинальный ток ЗУ;
2Р – число резервируемых ЗУ;
2Т – число резервируемых Тр;
2 – число входов переменного тока:
1 – один вход (без АВР),
2 – два входа (с АВР);
С – секционированный;
n1 – число выходов секции 1;
n2 – число выходов секции 2.



