Щит постоянного тока ЩПТА (вар. 2.2)
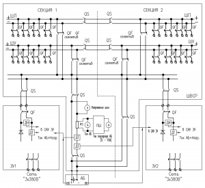
Структурная схема:
Пример обозначения: ЩПТА-65-2/220/40/1-СО/n1+m1/n2+m2
ЩПТА – щит постоянного тока автоматизированный;
65 – емкость АБ в А·ч;
2 – число параллельно включенных ЗУ;
220 – напряжение постоянного тока;
40 – номинальный ток ЗУ;
1 – число входов переменного тока в каждом ЗУ;
С – секционированный;
О – исполнение шин в шкафе ввода:
О – шины ШП, ШУ, ШС, ШБ отдельные;
n1+m1 – число выходов по шинам ШП и ШУ секции 1;
n2+m2 – число выходов по шинам ШП и ШУ секции 2.



